Hochvolt-(HV-)Steckverbinder im Realtest: Belastbare Derating-Kurven, IP-Nachweise und Lebensdauer bis 1.000 V / 1.000 A je Pfad

Problemstellung des Kunden

Ein Tier1-Zulieferer entwickelt eine neue Generation von HV-Steckverbindern für den Einsatz im E-Antriebsstrang. Für die DV-/PV-Freigabe waren belastbare Nachweise zur Stromtragfähigkeit inkl. Derating, zu Steckzyklen und Verriegelung, zu IP-Schutzarten sowie zur Beständigkeit gegenüber Klima, Korrosion, UV-Belastung, Medien und mechanischer Beanspruchung erforderlich. Die Dokumentation sollte normgeführt (u. a. LV 215 sowie relevante Teile der Reihe DIN EN 60512) und vollständig rückverfolgbar sein – bei engem Terminplan und mehreren Varianten.

Lösung von AUCOTEAM

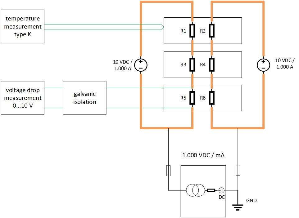
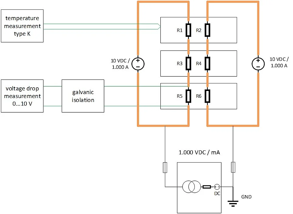
AUCOTEAM führte die Validierung auf einem modularen „Heart-of-Test“-Rack durch. Das System vereint HV-Sicherheitskonzept, zeitsynchrone Datenerfassung und standardisierte Schnittstellen zu Klima-/Temperaturschränken, Wasserkühlung und Shaker. Der Prüfaufbau erlaubte bis zu sechs Strompfade, Leiterquerschnitte bis 360 mm², Spannungen bis 1.000 V und Ströme im Bereich von ca. 1.000 A je Pfad. Erfasst wurden u. a. 12 galvanisch getrennte Spannungsabfälle bis 1.000 V und 12 Temperaturkanäle. CAN/LIN wurden in die Testlogik eingebunden. Die Sequenzen liefen automatisiert mit Grenzwertüberwachung und Soft-Safety.

Die Ermittlung der Derating-Kurven erfolgte in zwei Kammern gemäß DIN EN 60512-51/-52 einschließlich Hot-Spot-Validierung per Wärmebild. Die Umweltprüfungen umfassten Klimaprüfungen, Salzsprühnebel, Sonnensimulation nach DIN 75220, IP-Schutzarttests, chemische Beständigkeit, Vibration und Schock. Zusätzlich wurden Eiswasser-Tauchtests, Schwallwasser und Funktionsprüfungen unter Last durchgeführt. Abweichungen wurden mit Trendanalysen des Kontaktwiderstands bewertet. Alle Messpunkte sind auditfest rückverfolgbar. Das Projekt wurde 2022 abgeschlossen und liegt damit innerhalb der letzten fünf Jahre.

Besonderheiten der Lösung von AUCOTEAM

  • Schneller Kampagnenstart: wiederverwendbares Test-Rack, vorkonfigurierte Messketten, kurze Rüstzeiten
  • Parallele Validierung mehrerer Varianten mit identischem Setup für robuste A/B-Vergleiche von Kontaktgeometrien und Materialien
  • Vollständige Ableitung der Derating-Kurven inkl. Hot-Spot-Analyse, Grenzfallbetrachtung und dokumentierter Messunsicherheit
  • Umwelt und IP-Nachweise aus einer Hand: Klima, Korrosion, UV/Sonne, Medienbeständigkeit, Vibration/Schock, Schwallwasser und Eiswassertauchen
  • Durchgängige Traceability: automatisierte Protokolle, Seriennummerntracking, strukturierte Fotodokumentation, prüfstandsnahe Datenhaltung
  • Flexible Engpasslösungen: vom On-Demand-Testing bis zur temporären Inhouse-Miete von Infrastruktur und Personal

Ihr Ansprechpartner für Testverfahren

Christian Kretschmer
Leiter Testlabor

Innovative Köpfe gesucht!

Gestalten Sie mit uns die Technologien von morgen – bei einem Arbeitgeber mit Haltung, Entwicklungsperspektive und Sinn für Teamgeist.

 

Karriere bei AUCOTEAM  Jetzt bewerben  Offene Stellen